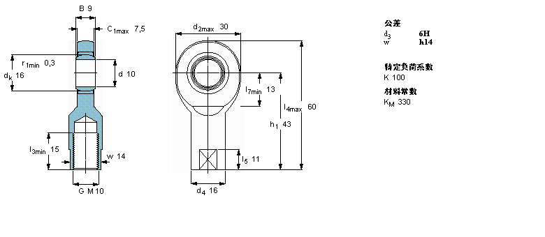
詳細信息
| 需要維護的桿端, 鋼對鋼,陰螺紋 | |||||||||||
| 公差 , 參見文字 | |||||||||||
| 徑向內部游隙 , 參見文字 | |||||||||||
|
|
|||||||||||
| 主要數據尺寸 | 角度傾的 | 基本負荷額定值 | 質量 | 型號 | |||||||
| 動態(tài) | 靜態(tài) | 桿端帶右或左旋螺紋 | |||||||||
| d | d2 | B | d3 | C1 | h1 | ± | C | C0 | |||
| 6H | |||||||||||
|
|
|||||||||||
| mm | 度數 | kN | kg | - | |||||||
|
|
|||||||||||
| 10 | 30 | 9 | M 10 | 7,5 | 43 | 12 | 8,15 | 19 | 0,069 | SIL 10 E | |

