詳細信息
| 需要維護的桿端, 鋼對鋼,陰螺紋, 兩面密封件 | |||||||||||
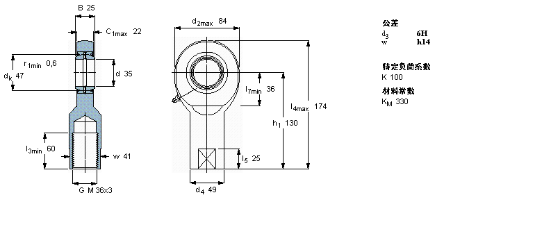
| 公差 , 參見文字 | |||||||||||
| 徑向內部游隙 , 參見文字 | |||||||||||
|
|
|||||||||||
| 主要數據尺寸 | 角度傾的 | 基本負荷額定值 | 質量 | 型號 | |||||||
| 動態(tài) | 靜態(tài) | 桿端帶右或左旋螺紋 | |||||||||
| d | d2 | B | d3 | C1 | h1 | ± | C | C0 | |||
| 6H | |||||||||||
|
|
|||||||||||
| mm | 度數 | kN | kg | - | |||||||
|
|
|||||||||||
| 35 | 84 | 25 | M 36x3 | 22 | 130 | 6 | 80 | 134 | 1,40 | SI 35 ES-2RS | |

