詳細(xì)信息
| 緊定套 | ||||||||||
|
|
||||||||||
| 尺寸 | 體積 | 型號 | ||||||||
| 緊定軸套帶螺母 | 鎖定螺母 | 鎖定裝置 | 適宜的液壓 | |||||||
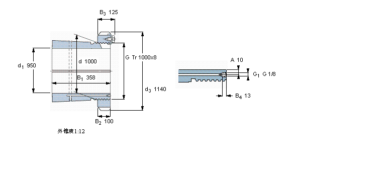
| d1 | d | d3 | B1 | G | 和鎖緊裝置 | 螺母 | ||||
|
|
||||||||||
| mm | kg | - | ||||||||
|
|
||||||||||
| 950 | 1000 | 1140 | 358 | Tr 1000x8 | 407 | OH 39/1000 H | HM 30/1000 | MS 30/1000 | HMV 200 E | |

