詳細信息
| 緊定套 | ||||||||||
|
|
||||||||||
| 尺寸 | 體積 | 型號 | ||||||||
| 緊定軸套帶螺母 | 鎖定螺母 | 鎖定裝置 | 適宜的液壓 | |||||||
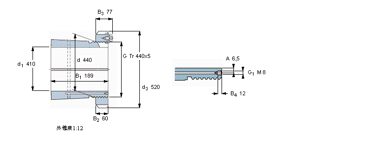
| d1 | d | d3 | B1 | G | 和鎖緊裝置 | 螺母 | ||||
|
|
||||||||||
| mm | kg | - | ||||||||
|
|
||||||||||
| 410 | 440 | 520 | 189 | Tr 440x5 | 58,0 | OH 3988 H | HM 3088 | MS 3092-88 | HMV 88 E | |
| 更新日期: | 2025.12.10 | 閱讀量: | 16319 |
|---|---|---|---|
| 產品名稱: | SKF OH3988H | 類型: | 緊定套 |
| 品牌: | SKF | 內徑d: | |
| 外徑D: | 厚度(mm): |
咨詢熱線:0512-62658883
| 緊定套 | ||||||||||
|
|
||||||||||
| 尺寸 | 體積 | 型號 | ||||||||
| 緊定軸套帶螺母 | 鎖定螺母 | 鎖定裝置 | 適宜的液壓 | |||||||
| d1 | d | d3 | B1 | G | 和鎖緊裝置 | 螺母 | ||||
|
|
||||||||||
| mm | kg | - | ||||||||
|
|
||||||||||
| 410 | 440 | 520 | 189 | Tr 440x5 | 58,0 | OH 3988 H | HM 3088 | MS 3092-88 | HMV 88 E | |