詳細信息
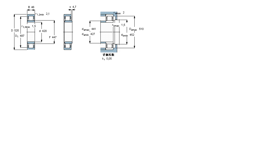
| 圓柱滾子軸承, 單列, NU 設計 | ||||||||||||
| 公差 , 參見文字 | ||||||||||||
| 徑向內部間隙, 圓柱型內孔 , 圓錐型內孔, 無密封件 , 參見文字 | ||||||||||||
| 推薦配合 | ||||||||||||
| 軸和軸承座公差 | ||||||||||||
|
|
||||||||||||
| 主要數據尺寸 | 基本負荷額定值 | 疲勞負荷限值 | 額定速度 | 體積 | 型號 | 適宜的斜擋圈 | ||||||
| 動態(tài) | 靜態(tài) | 參照速度 | 限制速度 | 型號 | ||||||||
| d | D | B | C | C0 | Pu | |||||||
|
|
||||||||||||
| mm | kN | kN | r/min | kg | - | - | ||||||
|
|
||||||||||||
| 420 | 520 | 46 | 550 | 1120 | 95 | 1200 | 1600 | 20,0 | NU 1884 MA | - | ||

