詳細(xì)信息
| 帶鎖緊銷的KMT精密鎖緊定螺母 | ||||||||||
|
|
||||||||||
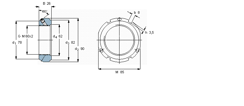
| 螺紋尺寸 | 尺寸 | 軸向負(fù)荷 | 體積 | 型號 | 平頭螺釘 | |||||
| 承載能力 | 鎖定螺母 | 適宜的板手 | 尺寸 | 推薦的緊固扭矩 | ||||||
| d3 | B | G | 靜態(tài) | |||||||
|
|
||||||||||
| - | mm | - | kN | kg | - | - | - | Nm | ||
|
|
||||||||||
| 60 | 82 | 26 | M 60x2 | 380 | 0,61 | KMT 12 | HN 12-13 | M 8 | 18 | |

