詳細信息
| 角接觸推力球軸承 for screw drives, cartridge units with flanged housing | |||||||||||
| 公差, inner rings, outer rings, see also text | |||||||||||
| Preload, see specific bearing, see also text | |||||||||||
| Shaft fits, housing fits | |||||||||||
| 軸和軸承座公差 | |||||||||||
|
|
|||||||||||
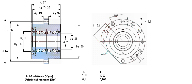
| 主要數據尺寸 | 基本負荷額定值 | 疲勞負荷限值 | 可達到的速度 | 體積 | 型號 | ||||||
| 動態(tài) | 靜態(tài) | 預壓 | SKF | SNFA | |||||||
| A | B | ||||||||||
| d | D2 | A | C | C0 | Pu | ||||||
|
|
|||||||||||
| mm | kN | kN | r/min | kg | - | ||||||
|
|
|||||||||||
| 20 | 60 | 77 | 35,86 | 98 | 3,6 | 4750 | 2375 | 1,7 | FBSA 204/ QBC | BSQU 220 TDT | |

