詳細信息
| 圓柱滾子推力軸承, 軸承 / 圓柱滾子和保持架止推組件 | ||||||||||||
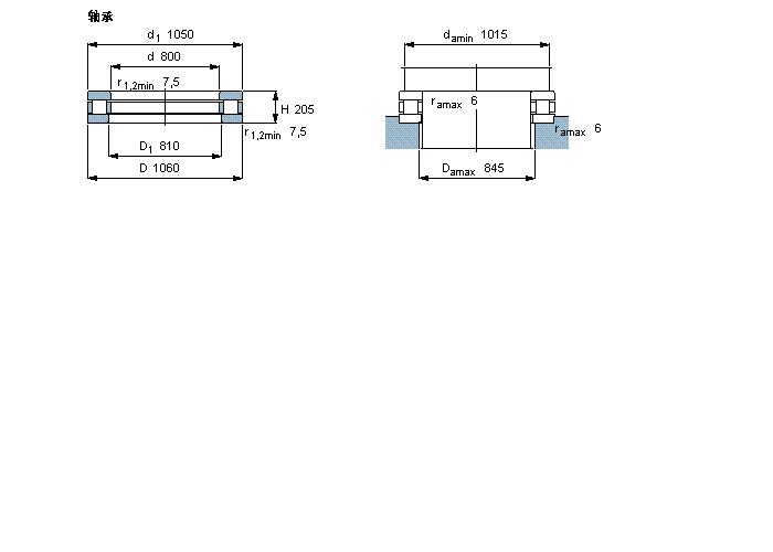
| 公差 , 參見文字 | ||||||||||||
| 推薦配合 | ||||||||||||
| 軸和軸承座公差 | ||||||||||||
|
|
||||||||||||
| 主要數據尺寸 | 基本負荷額定值 | 疲勞負荷限值 | 最小負荷系數 | 額定速度 | 體積 | 型號 | ||||||
| 動態(tài) | 靜態(tài) | 參照速度 | 限制速度 | 軸承 | 圓柱滾子和保持架止推組件 | |||||||
| d | D | H | C | C0 | Pu | A | ||||||
|
|
||||||||||||
| mm | kN | kN | - | r/min | kg | - | ||||||
|
|
||||||||||||
| 800 | 1060 | 205 | 7350 | 40500 | 2280 | 130 | 110 | 220 | 515 | 812/800 M | - | |

